|
UIR / Irman
|
  |
Links:
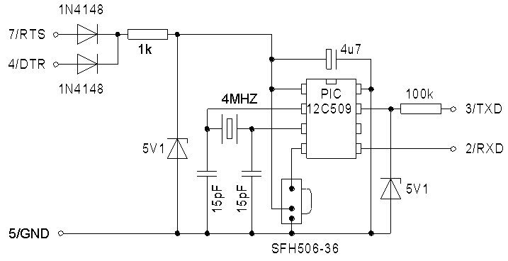
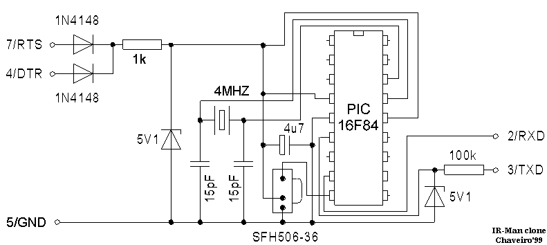
IRman
In circuit programmable universal
infrared receiver (UIR) & UIR compatible transceiver
Original
UIR site of Ties Bos or Mirror
Schematics:
 
Events:
Default type: "REMOTE"
ID: "<Button name>"
Parameter: Repeat counter, -1 if released
Wait before repeat: 300 ms
Repeat time: 100 ms
Actions: none
Run plugin setup for choice of COM port and see / define button names.
|