|
Почему IrDA не годится для приема команд ИК дистанционного управления
Ну
вообще-то можно конечно использовать IrDA для приема команд
с обычных ИК пультов, но с очень большими ограничениями. Работает
далеко не со всеми пультами. Стабильность распознавания команд
очень низкая. Если использовать IrDA встроенный в материнскую
плату, то нужно колдовать с драйверами, если внешний, то нужно
удалять драйвера или периодически перетыкать приемник в другой
СОМ порт.
Для USB IrDA появился новый плагин >>> 
Плагин СОМ IrDA имеет ряд ограничений, подробнее >>>
А теперь подробнее про IrDA
Через
IrDA данные передаются также как и через COM порт с небольшими
отличиями. Наличие импульса - это логический 0, длительность
имульса составляет 3/16 bit time. Обычно используется режим
8 бит, без контроля четности и 1 стоповый бит. Первый импульс
рассматривается как стартовый, далее в зависимости от выбранной
скорости передачи (обычно 115200) наличие или отсутствие импульса
в заданный момент времени определяет значение очередного бита
(0 или 1). Байт считается успешно принятым, если правильно
принят стоповый бит, т.е. если в нужный момент не будет никакого
импульса. На картинке показан сигнал при передаче данных через
COM порт (UART) и через IrDA.
Получить доступ к IrDA как к обычному COM порту можно только
если устройство подключается в COM порт или в IrDA разъем
на материнской плате. Во втором случае придется править руками
INF файлы, чтобы Windows не догадался что это ИК порт. Использовать
например USB IrDA устройство для работы с дистанционкой вообще
не получится.
 |
 |
О методах кодирования команд дистанционного управления на
ИК (инфра-красных) лучах можно посмотреть здесь.
Самое главное - каждый информационный импульс, посланный с
дистанционки, на самом деле - это ИК фон заданной длительности
с частотой от 30 до 56 кГц.
Теория
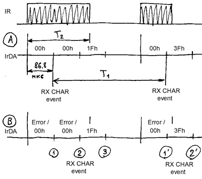
Допустим что со стоповым битом все в порядке, тогда все будет как нарисунке
( А ). Появился ИК фон, через 86.8 мкс (при скорости 115200) принялся
первый байт, сгенерировано событие RX CHAR EVENT. Дождавшись окончания
приема пакета, подсчитываем количество байтов и количество единичных младших
битов в последнем байте, таким образом узнаем длительность импульса (T2)
с точностью до 9 мкс. Дождавшись очередного RX CHAR EVENT и замерев между
ними время узнаем T1. Отняв T2 от T1 узнаем длительность паузы. Казалось
бы имеется достаточно информации для декодирования команды (известны длительности
импульсов и пауз между ними), но...
|
|
Практика
Если
в момент считывания стопового бита в ИК фоне попадется импульс, байт не
примется. См. рисунок (B). Таким образом в случае неправильного
приема одного или нескольких байтов RX CHAR EVENT может возникнуть в точке
(1), (2) или (3). Мало того RX CHAR EVENT может возникнуть несколько раз
в течение одного информационного импульса с дистанционки, например в точках
(1) и (3). Наиболее вероятен безошибочный прием байта, перекрывающего
окончание информационного импульса с дистанционки (на стоповый бит не
попадет никакого импульса).
Все это относится к случаю, когда для анализа команды с дистанционки
используется плагин DCD или
IR210 (принцип работы аналогичен
WinLIRC). Плагин UIR вообще
не имеет понятия о кодировках различных пультов, от тупо анализирует
последовательность принятых байтов. Вероятность того что для
одной и той же команды пульта IrDA будет давать одинаковые
байты очень маленькая. Результат, например, может меняться
от расстояния между IrDA приемником и пультом. И наоборот
для разных команд пульта могут быть получены одинаковые байты.
Вывод: при определенной частоте ИК фона (т.е. при определенной
модели дистанционки) с большой натяжкой IrDA можно использовать для приема
команд ДУ с pulse-distance модуляцией и при относительно коротких импульсах,
ориентируясь при этом по времени между RX CHAR EVENT (плагин DCD). IrDA
невозможно использовать для приема ИК команд от дистанционок с другим
типом модуляции, а так же если в командах присутствует длинный первый
информационный импульс, что встречается довольно часто.
|
Генерирование ИК команд ДУ через IrDA.
Здесь
ситуация чуть лучше. Если знать точный формат команды для данной дистанционки,
можно сформировать несколько пакетов и послать их через IrDA через заданное
время. При этом нужно использовать скорость передачи 38400 (наиболее близкая
к частоте большинства дистанционок). Получится очень близкий к оригиналу сигнал,
однако он не будет идеальным. Через каждые 9 импульсов будет провал (стоповый
бит). Кроме того скважность импульсов будет составлять примерно 19% (должно
быть 50%). Принимающая аппаратура может воспринимать стоповый бит как короткую
паузу между информационными импульсами и неправильно декодировать команды.
|